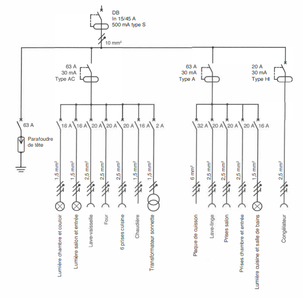
La reconnaissance du disjoncteur différentiel symbole constitue un élément fondamental pour comprendre les schémas électriques. Ce dispositif de protection combine deux fonctions : la détection des fuites de courant et la protection contre les surcharges. Représenté par un rectangle avec une ligne ondulée, ce symbole normalisé permet aux électriciens d’identifier rapidement la protection différentielle 30mA dans une installation.
Quel est le rôle d’un disjoncteur différentiel ?
Le disjoncteur différentiel remplit une double mission essentielle dans votre installation électrique. Sa fonction première consiste à protéger les personnes contre les risques d’électrocution en détectant instantanément les fuites de courant vers la terre. Dès qu’un défaut d’isolement survient sur un appareil, ce dispositif coupe automatiquement l’alimentation.

Sa seconde fonction protège vos équipements contre les surcharges et courts-circuits, contrairement à l’interrupteur différentiel qui ne gère que les fuites. Cette protection thermique et magnétique préserve vos appareils des dommages électriques. Comprendre ce rôle dual facilite grandement l’interprétation du disjoncteur différentiel sur vos schémas électriques.
Nos disjoncteurs différentiels 30mA garantissent une sécurité optimale selon la norme NF C 15-100. Que vous choisissiez un modèle bipolaire pour le résidentiel ou triphasé pour l’industriel, chaque appareil assure cette surveillance constante de votre installation.
Symboles normalisés du disjoncteur différentiel
Représentation dans les schémas électriques unifilaires
Sur un schéma unifilaire, le symbole d’un disjoncteur différentiel se matérialise par un rectangle contenant une ligne ondulée caractéristique. Cette représentation graphique permet aux électriciens d’identifier instantanément la protection différentielle sur les plans d’installation.

La forme du symbole du disjoncteur différentiel varie selon le nombre de pôles : un trait simple pour le monophasé, plusieurs traits parallèles pour le triphasé. Les caractéristiques techniques comme l’intensité nominale et la sensibilité s’inscrivent directement à proximité du symbole.
Senia éléctrique propose des modèles Schneider Electric dont les marquages facilitent la lecture des schémas. Chaque composant porte des indications claires sur ses bornes d’entrée et sa technologie de détection. Cette standardisation évite toute source de confusion lors de la maintenance et garantit le bon fonctionnement de l’installation électrique.
Symboles types AC, A et F selon la norme CEI
La norme CEI distingue trois symboles principaux pour identifier les types de protection différentielle. Le type AC arbore généralement les lettres “AC” ou un pictogramme spécifique, adapté aux circuits standards alimentant l’éclairage et les prises classiques. Cette identification claire du disjoncteur différentiel facilite le choix lors de la conception.
Le type A se reconnaît par la lettre “A” ou son logo caractéristique, obligatoire pour les appareils générant des courants continus comme les plaques de cuisson et lave-linge. Le type F, anciennement appelé HPI, présente des marquages spéciaux indiquant son immunité renforcée contre les déclenchements intempestifs.

Chaque disjoncteur différentiel respecte les standards internationaux pour garantir une lecture universelle. Les conducteurs actifs phase et neutre bénéficient d’une surveillance constante, assurant la sécurité des personnes face aux défauts d’isolement. Nos modèles intègrent ces marquages normalisés pour une identification immédiate du type de protection.
Marquages 30mA, 300mA et 500mA sur l’appareil
Ces valeurs numériques apparaissent directement gravées sur le boîtier de chaque appareil, accompagnant le disjoncteur différentiel pour une identification complète. Le marquage 30mA indique une haute sensibilité destinée à la protection des personnes dans les circuits domestiques. Cette sensibilité détecte les plus petites fuites de courant dangereuses pour la sécurité.

Le marquage 300mA correspond à une sensibilité moyenne, principalement utilisée dans les installations tertiaires et industrielles. Ces appareils protègent contre les risques d’incendie tout en évitant les déclenchements intempestifs sur les équipements à fort courant de fuite.
La valeur 500mA figure sur les disjoncteurs de branchement installés par Enedis en tête d’installation.On recommande de vérifier systématiquement ces marquages lors de la maintenance pour s’assurer de la cohérence avec le disjoncteur différentiel symbole et garantir une protection adaptée à chaque usage.


Types et configurations : bipolaire, triphasé, tétrapolaire
Disjoncteur différentiel monophasé et bipolaire
Le disjoncteur différentiel monophasé bipolaire occupe deux modules dans votre tableau électrique. Ce dispositif surveille simultanément la phase et le neutre, offrant une protection renforcée comparée aux versions unipolaires classiques.

Sur les schémas techniques, ce disjoncteur différentiel symbole présente deux traits verticaux parallèles accompagnés de la ligne ondulée caractéristique. Cette représentation indique clairement que les deux conducteurs bénéficient d’une surveillance active contre les différences de courant.
Nos modèles conviennent parfaitement aux circuits alimentant des équipements sensibles comme les moteurs monophasés ou les appareils électroménagers de forte puissance. La configuration bipolaire assure une coupure complète des deux pôles lors d’un défaut, éliminant tout risque résiduel.
Cette technologie s’avère particulièrement adaptée aux installations où la sécurité prime sur l’encombrement. Le disjoncteur différentiel bipolaire garantit une identification immédiate sur vos plans d’installation électrique.
Versions triphasé et tétrapolaire industrielles
Les équipements triphasés nécessitent un disjoncteur différentiel spécifique à quatre traits verticaux parallèles. Cette représentation graphique distingue clairement les trois phases surveillées plus le conducteur neutre dans les schémas industriels.
Le disjoncteur différentiel tétrapolaire convient parfaitement aux moteurs asynchrones, aux pompes industrielles et aux systèmes de ventilation professionnels. Sa capacité de coupure élevée répond aux exigences des environnements à forte puissance.
Dans les armoires électriques TGBT, ce disjoncteur différentiel occupe quatre modules sur rail DIN. Les bornes de raccordement facilitent le câblage des conducteurs de section importante, typiques des installations industrielles triphasées.
Applications pratiques dans les installations
Dans les installations résidentielles, chaque symbole disjoncteur différentiel correspond à un usage spécifique selon les circuits protégés. Les salles de bains exigent un type A 30mA pour surveiller les appareils comme sèche-cheveux ou machines à laver, tandis que les circuits d’éclairage acceptent un type AC standard.
Les cuisines modernes nécessitent un disjoncteur différentiel type A pour les plaques à induction et fours électriques générant des courants continus. Cette protection spécialisée évite les déclenchements inopinés tout en maintenant la sécurité maximale.
Dans le secteur tertiaire, le disjoncteur différentiel 300mA protège les équipements informatiques et systèmes de climatisation. Les bureaux équipés d’onduleurs bénéficient de cette sensibilité adaptée qui préserve la continuité de service. Les ateliers industriels adoptent des versions tétrapolaires pour alimenter machines-outils et compresseurs triphasés, où chaque symbole disjoncteur différentiel indique précisément le type de protection active sur l’équipement concerné.






